Vibrationstransmitter ST5484E
Eine zuverlässige Maschinenüberwachung (z.B. Gehäuseschwingungen, bedingt durch Unwuchten) wird durch eine hochempfindliche, rauscharme und robuste Sensorik gewährleistet. Die M8, M10, ¼“, ⅜“ oder ½“-Verschraubungen des Sensors erlauben eine maschinenindividuelle und zuverlässige Montage, die auch an schwer zugängigen Stellen möglich ist.
Die kontinuierliche Maschinenüberwachung erfolgt über das integrierte 4 … 20 mA Strominterface zur zentralen Überwachung.
Für ‚Real-Time‘ Auswertungen bzw. Diagnose der Schwingungssignale steht der Rohsignal-Ausgang (‚Dynamic Signal‘) zur Verfügung.
Vorteile:
Kompakter, hochgenauer und robuster Schwingungstransmitter für die Maschinen- und Anlagenüberwachung
Umfangreiche Zulassungen für den Einsatz im EX-Bereich
Hochgenauer Geschwindigkeitstransmitter (seismisch, alle Bewegungsachsen)
4…20 mA Ausgangssignal (loop-gespeist)
Roh-Signal-Ausgang für Diagnose (optional)
Ausführungen mit Mil-Stecker, Klemmleiste oder offenen Kabelenden
Robustes und korrosionsbeständiges Edelstahl-Gehäuse
(Ex d Zulassung mit werksseitig montiertem Schutzrohr 8200 für Ausführungen mit Klemmleiste- oder offenen Kabelenden)
Individuelle Konfigurationen ab Werk:
Messbereich, Befestigung, Gehäusematerial,
Zulassung, Kabelanschluss, Bandfilter
Zubehör: Anschlussleitungen mit Mil-Stecker, TAGs, Montageadapter, Schutzrohr (8200) und div. Reduzierstücke
Div. Zulassungen
Charakteristik | Technische Werte |
|---|---|
Vibrationsaufnehmer | Piezo-elektrisch, mit Signal-Integrator |
Frequenzbereich (-3dB) | 2 Hz … 1500 Hz 1.) |
Messbereich | 5.0 in/sec (127 mm/s) 2.) |
Feuchte (max.) | 95 % 3.) |
Hohe Schutzart | IP67 3.) |
Gehäusematerial | Edelstahl 303; 316 |
Betriebstemperaturbereich | -40°C … +100°C |
Rohsignalausgang | 100 mV/g (10,2 mV / s 2.) 4.) |
Signalausgang | 4 …20 mA (loop-gespeist) |
Spannung | 11,0 VDC … 29,6 VDC |
Genauigkeit | ±2,5% (im Filterbereich) |
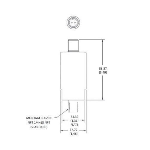
Abmessungen | ca. Ø 38 mm, l = 89 mm 3.) |
Gewicht | ca. 0,36kg |

Charakteristik | Technische Werte |
|---|---|
Messbereich | 1,0 in/Sek (25,4mm) … 3,0 in / Sek (76,2mm) |
Gehäusematerial | 303 SS,316 SS |
Bolzengöße | ¼“ NPT Bolzen |
Anschlusstyp | Klemmleiste |
Lüfter und Kühltürme
Antriebe
Kompressoren und Großpumpen
Industriemühlen